HOME | TECH | BUY/SELL | ABOUT VWTYPE3.ORG


Type 3 -- Literature



Clymer, 1972 ("Volkswagen Service Repair Handbook...")
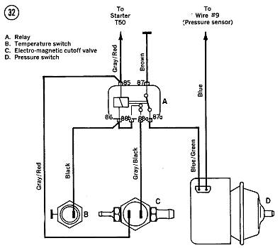
Chapter 7, Figure 32




Copyright Clymer Publications, Overland Park, Kansas.
Used with permission.





This document is: http://type3.org/literature/clymer/service/images/1972.07.32.shtml

For questions about this web site, see about vwtype3.org
or send e-mail to webmaster@vwtype3.org.